Vision und Revision
Für den heutigen Tag stand ein recht aufwändiges Thema an: Revision des Schaltplans. Es hat sich über die Projektzeit hinweg immer mal wieder hier und da eine kleine Änderung ergeben und nun war es an der Zeit mal wieder alles auf Stand zu bringen.
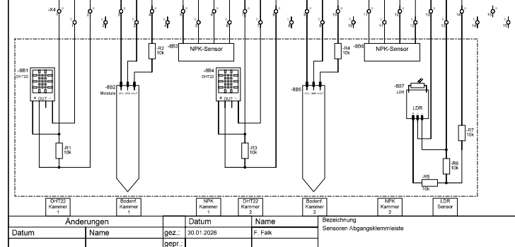
Dabei hat sich natürlich schon allein durch das neue Bauteil (der MCP2221) etwas geändert und auch damit die Aufstellung und die Seitenzahl des Schaltplans geändert. Folglich mussten auch alle BMKZs angepasst werden, sodass diese mit den neuen Seitenzahlen übereinstimmen. Zusätzlich habe ich noch die effektive Verschaltung der Sensoren mit eingebunden – die vorgeschalteten Widerstände und der Spannungsteiler für den LDR sind jetzt mit im Schaltplan ersichtlich.

Zusätzlich habe ich jetzt auch begonnen, noch die Stückliste der „Feldgeräte“, also unserer Sensoren im Schaltschrank mit einzupflegen – diese ist allerdings zum aktuellen Zeitpunkt noch nicht vollständig.

