Nachbesserungen am Schaltplan
In der heutigen Runde begann der Abend zunächst damit, die bisher verwendeten Bauteile, die als Platzhalter dienten, auszutauschen. Wir bekamen noch ein paar Betriebsmittel für den Schaltschrank zur Verfügung gestellt, mit denen wir den Aufbau soweit nun finalisieren konnten, um im Folgenden mit der vollständigen Verdrahtung zu beginnen (bisher war alles nur funktionell miteinander verbunden). Infolgedessen widmete ich mich an diesem Abend dem Schaltplan und der Zusammenstellung der Stückliste, um hier diesen Teil für die Schaltschrankunterlagen, aber auch für die Dokumentation voranzubringen.


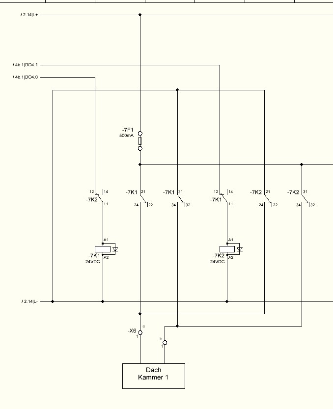
Mit den 4-fach Wechsler-Relaismodulen der Firma FINDER können wir nun in aller Ruhe unsere Ansteuerung des Hubmotors für das Dach realisieren. Im Grunde basiert dies auf dem Prinzip der Wendeschützschaltung mit Verriegelung… nur, dass wir hier einfache Relais verwenden, da Schütze für das Schalten einer derart kleinen Leistung doch etwas übertrieben wären (24VDC bei 500mA). Folglich sind die Richtungen, in die unser Motor drehen bzw. ausfahren kann, damit gegeneinander hardwaretechnisch verriegelt, um nicht nur in der Software eine gleichzeitige Ansteuerung zu verhindern, sondern auch im hardwaretechnisch hier eine klare Grenze zu ziehen. Die einzelnen Kreise haben wir nun über Durchgangs-Sicherungsklemmen überwacht. Zusätzlich hat sich die Aufteilung der einzelnen Funktionen im Schaltplan etwas geändert, um nicht alles auf eine Schaltplanseite zu quetschen, sondern für mehr Übersichtlichkeit auf mehreren Seiten verteilt zu arbeiten.
